Forensic Science Hair & Fibres
In any struggle between victim and attacker hairs and fibres from one are inevitably transferred to the other. The importance of hair in criminal investigation was realised at an early stage in the development of forensic science, and one of the first scientific papers on the subject was published in France in 1857. By the early 1900s microscopic examination of hair was well established, and in 1931 Professor John Glaister published his Hairs of Mammalia from the Medico-legal Aspect, which became a standard reference work.
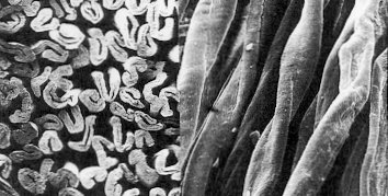
Hair can provide crime investigators with important clues. Apart from burning, hair is virtually indestructible. It remains identifiable even on bodies in an advanced state of decomposition or attached to objects after a crime has been committed.
The forensic scientist using a microscope can make even a single head hair yield information about the race, sex an age of its owner, and while hair does not have the same individual character as a fingerprint it can provide vital evidence. For example, in August 1951, a woman’s body was found in a rural sport near Nottingham. The victim, Mable Tattershaw, a 48 year old housewife, had been strangled. Minute inspection of her clothing revealed some hairs which were immediately sent to the forensic laboratory, where microscope examination showed them to be identical with the head hair of Leonard Mills, an 18 year old clerk and the chief suspect. Together with other damning evidence, these hairs helped to take a murderer to the scaffold.
Cloth fibres are often found at the scene of the crime or on a suspect. In some cases, a small piece of cloth may be found. The police may even find a matching piece of cloth whose torn edge will fit the torn edge of the first piece. Such a match is called a jigsaw fit. Most cloth is made of fibres woven or intertwined in some way. The kind of fibre and the way in which it is intertwined determine the character of the resulting cloth.
More often, the police have only tiny fibres with which to work. It is surprising how often such fibres are left behind, or picked up, by the criminal. A sweater will shed its own fibres easily and hold foreign fibres deposited by contact. Even a closely woven garment, rubbing against a door jamb will leave a few fibre fragments. A car striking a pedestrian is likely to pick up tiny fragments of the victim’s clothing, even if only a smooth part of the car comes into contact with the person. These fibres can be removed from the car by applying sticking tape to the surface, pulling the tape away, and the removing the fibres from the tape with liquid.
What is hair used for?
Unless it is burnt, hair is extremely durable. It remains identifiable on bodies in an advanced state of decomposition or attached to a murder weapon long after the crime is committed. Hair is composed of protein substances, chiefly keratin, and head hair grows at an average weekly rate of about 2.5mm, the beard growing faster and body hair more slowly. Growth ceases at death, but as the skin shrinks the hair, especially the beard, becomes more prominent, giving rise to the murder myth that hair grows after death. The absorbent property of hair makes its examination important in cases of arsenic poisoning. Hair picks up the poisons from the bloodstream, and it is possible to work out the approximate strength and frequency of the dosage by analysis.
Hair can be used in helping to reconstruct events. Collection of hair and fibres can indicating contact with surfaces or individuals and so where individuals have been. Examination of the root structure can indicate whether hair has fallen out or been forcefully removed, indicating a struggle.
These days hair can also be used to assist identification through DNA analysis. If some root structure is present standard DNA profiling can be used. Even if you only have the shaft, mitochondrial DNA testing can be tried.
What are Fibres?
Fibres are the basic unit of raw material in textile production having suitable length, pliability, and strength for conversion into yarns and fabrics. A fibre of extreme length is a filament. Fibres can occur naturally or can be produced artificially. Fibres also cover some structural materials as in asbestos fibres (rare these days) and glass fibres.
Not long ago, most fabrics were made of wool, cotton, linen or silk. It was easy to identify them just be feeling and looking. Today a wide variety of synthetic fibers has appeared on the market, and manufacturers have learn how to combine many fibers in making a single fabric, making it difficult to analyse completely or identify all fabrics. However, there are some simple tests which help greatly in distinguishing fabrics, the most common being the burning test and chemical tests.
|
Cotton |
Viscose |
|
Wool |
Triacetate |
Fibres and Hair
Examination of hair and fibres from a crime scene or suspect can yield a wealth of information.
Hair and fibres can be used in helping to reconstruct events. Collection of hair and fibres can indicating contact with surfaces or individuals and so where individuals have been. Examination of the root structure of hair can indicate whether hair has fallen out or been forcefully removed, indicating a struggle. All these indicators can be used to corroborate or refute a persons version of events or act as the silent witness to a crime.
These days hair may be used to help identify individuals through DNA analysis. However traditional methods of hair examination are still used for identification as DNA analysis will not always yield results.
Collecting Hair and Fibres
Generally carried out by applying clear tape to a surface and seeing what comes off. An item to be examined will be worked over systematically in a grid fashion. Examiners will use tape of various stickiness depending upon the surface being examined. Stickier tapes are more efficient at recovering fibres but may also bury “target” fibres in a dense mass of background fibres from the surface.
- Whether it is human or animal
- If human, which race
- Whether it fell out or was pulled
- If animal, which species
- The part of the body it came from
- How it was cut or dressed
| human head hair | cat | dog |
mouse |
| © Jeannette Jolley and Blake Education, Forensic Science for High Schools Book 1, 2000 | |||
How do they do this?
When it is sent for examination to the Forensic Science Laboratory hair is normally dry mounted on a glass slide for viewing under a comparison microscope.
To examine it in cross section, the specimen is mounted in a wax block from which wafer-thin slices are cut and mounted on glass slides. The cross-sectioned shape and appearance of the medulla is then viewed microscopically. Impressions of the cuticular scales are sometimes made on cellulose acetate for detailed study. The forensic scientist also has a variety of tests available for dealing with dyed hair and examining for age.
The brilliance of the forensic laboratory cannot shine, however, without the most thorough and painstaking work of investigating officers at the scene of the crime: fortunately, in regard to hair nature is on the side of the crime investigator. The hair of every part of the body has a definite period of growth and is continuously lost and replaced: minute examination of clothing and other articles can therefore pay dividends. Identification cannot be made with certainty on hair evidence alone. Hair may also be treated or dressed to alter its natural appearance. This may help or confuse identification. The best the scientist can do is to say that a suspect’s hair matches a crime sample. This can prove valuable corroborating evidence of guilt as numerous murder cases have shown.
Decomposed remains
Evidence provided by hair has played an important part in a number of murder investigations. In October 1942, the badly decomposed remains of a woman’s body were found buried on a heath near Godalming, Surrey. It was estimated that the body had been lying in the heather for about five weeks. This was the so called “Wigwam” murder, in which the victim, who had been stabbed and beaten about the head, lived in a crude shelter made of branches and heather.
Police searching the heath land made several discoveries which enabled them to confirm the victim’s identity as Joan Peale Wolfe. They also found a heavy birch branch with hair adhering to it lying in long grass about 400 yards from the body. Laboratory examination identified this as the weapon responsible for the head injuries; nine head hairs sticking to the heavy end of the branch proved to be identical with the head hair of the victim. August Sangreat, a French Canadian solider from a nearby camp, had been living with the girl in the “Wigwam” for several months. He was tried for murder found guilty and executed at Wandsworth
- cuticle;
- The outermost layer or sheath of the hair of mammals.
- The strip of hardened skin at the base and sides of a fingernail or toenail.
- cortex;
- Anatomy.
- The outer layer of an internal organ or body structure, as of the kidney or adrenal gland.
- The main layer of the hair of mammals.
- Anatomy.
- infrared;
- Of or relating to the range of invisible radiation wavelengths from about 750 nanometers, just longer than red in the visible spectrum, to 1 millimetre, on the border of the microwave region.
- Generating, using, or sensitive to infrared radiation
- keratin; A tough, insoluble protein substance that is the chief structural constituent of hair, nails, horns, and hooves.
- medulla; The inner core of certain organs or body structures, such as the marrow of bone or centre of hair.
- spectrophotometer; An instrument used to determine the intensity of various wavelengths in a spectrum of light.










